试题详情
首页
考试分类
首页
国家电网招聘
环化材料类 (电网)
单选题
A
1kΩ
B
5kΩ
C
2kΩ
D
3kΩ
查看答案
正确答案
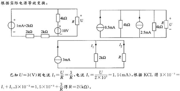
答案解析
相关试题
首页
每日一练
打赏一下
浏览记录